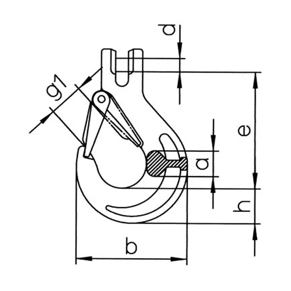
KHSW hák s vidlicou, trieda 10, PEWAG WINNER
Zodpovedá norme EN 1677-2 s vyššou nosnosťou.
Pre pewag montovaný systém.
Pre bežné zdvíhanie. S kovanou poistkou.

| Označenie | Nosnosť | e | h | a | d | g1 | b | Hmotnosť |
| --- | kg | mm | mm | mm | mm | mm | mm | kg |
| KHSW 5/6 | 1400 | 69 | 20 | 15 | 7,0 | 19 | 66 | 0,20 |
| KHSW 7 | 1900 | 95 | 28 | 19 | 9,0 | 26 | 90 | 0,60 |
| KHSW 8 | 2500 | 95 | 28 | 19 | 10,0 | 26 | 90 | 0,60 |
| KHSW 10 | 4000 | 109 | 35 | 25 | 12,5 | 31 | 108 | 1,10 |
| KHSW 13 | 6700 | 136 | 41 | 34 | 16,0 | 39 | 131 | 2,00 |
| KHSW 16 | 10000 | 155 | 49 | 37 | 20,0 | 45 | 153 | 3,48 |
| KHSW 19/20 | 16000 | 184 | 53 | 51 | 24,0 | 53 | 177 | 5,00 |
| KHSW 22 | 19000 | 214 | 62 | 52 | 27,0 | 62 | 196 | 9,00 |

