Postrková mačka SVERO, typ 20
Ľahko sa prispôsobí skutočnému nosníka, pomocou pravého a ľavého závesnej skrutky
Nízky dizajn výšky.
Dostupný v 3D-modell pre zapracovanie do konštrukčnej výkresovej dokumentácie.
Je vhodný pre väčšinu značiek zdvíhacích a elektrických kladkostrojov.
Oceľové kolesá s guličkovými ložiskami, navrhnutými pre rôzne profily nosníkov.
Každý kus je označený vlastným originálnym výrobným číslom a pred odoslaním je testované zaťaženie na každom kuse.
Priložený test a certifikát CE.
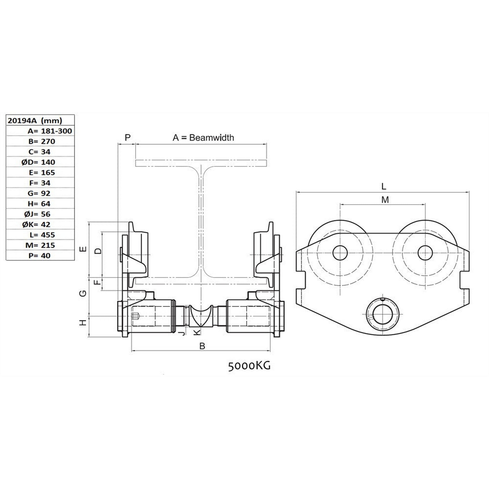
| Typ | WLL | A (min-max) | B | C | D | E | F | G | H | J | K | L | M | P | Min. polomer oblúka | Hmotnosť |
| --- | t | mm | mm | mm | mm | mm | mm | mm | mm | mm | mm | mm | mm | mm | m | kg |
| 20123A | 0,5 | 46-160 | 208 | 18 | 62 | 77 | 18 | 45 | 33 | 25 | 19 | 216 | 100 | 24 | 1,00 | 6,0 |
| 20124A | 0,5 | 161-280 | 208 | 18 | 62 | 77 | 18 | 45 | 33 | 25 | 19 | 216 | 100 | 24 | 1,00 | 6,4 |
| 20143A | 1,0 | 50-160 | 212 | 20 | 70 | 85 | 20 | 51 | 40 | 32 | 24 | 264 | 130 | 26 | 1,25 | 9,4 |
| 20144A | 1,0 | 161-280 | 212 | 20 | 70 | 85 | 20 | 51 | 40 | 32 | 24 | 264 | 130 | 26 | 1,25 | 10,7 |
| 20163A | 2,0 | 64-180 | 248 | 24 | 100 | 118 | 25 | 63 | 51 | 40 | 32 | 345 | 165 | 30 | 1,80 | 19,0 |
| 20134A | 2,0 | 181-300 | 248 | 24 | 100 | 118 | 25 | 63 | 51 | 40 | 32 | 345 | 165 | 30 | 1,80 | 21,0 |
| 20173A | 3,0 | 74-180 | 262 | 28 | 114 | 137 | 31 | 78 | 57 | 46 | 35 | 384 | 180 | 35 | 2,20 | 31,5 |
| 20174A | 3,0 | 181-300 | 262 | 28 | 114 | 137 | 31 | 78 | 57 | 46 | 35 | 384 | 180 | 35 | 2,20 | 34,0 |
| 20193A | 5,0 | 82-180 | 270 | 34 | 140 | 165 | 34 | 92 | 64 | 56 | 42 | 455 | 215 | 40 | 2,50 | 55,0 |
| 201924A | 5,0 | 181-300 | 270 | 34 | 140 | 165 | 34 | 92 | 64 | 56 | 42 | 455 | 215 | 40 | 2,50 | 58,0 |









