V-Nerezový strmeň omega veľkosť 5 MI
Nerezový strmeň omega je vyrobený z materiálu AISI 316.
Dopredaj posledných kusov výrobcu MichLar.

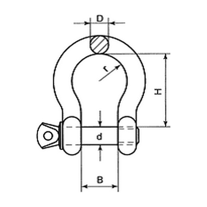
| Typ | Veľkosť | WLL | B | D | d | H | Hmotnosť |
| --- | (mm) | kg | mm | mm | mm | mm | kg |
| RH4 | 4 | 100 | 8 | 4 | 4 | 16 | 0,0100 |
| RH5 | 5 | 120 | 10 | 5 | 5 | 16 | 0,0190 |
| RH6 | 6 | 150 | 13 | 6 | 6 | 22 | 0,0310 |
| RH8 | 8 | 250 | 17 | 8 | 8 | 29 | 0,0680 |
| RH10 | 10 | 400 | 18 | 10 | 10 | 32 | 0,1235 |
| RH12 | 12 | 600 | 25 | 12 | 12 | 40 | 0,2200 |
| RH16 | 16 | 1000 | 32 | 16 | 16 | 52 | 0,5150 |
| RH20 | 20 | 1500 | 38 | 20 | 20 | 64 | 0,9500 |
| RH24 | 24 | 2000 | 50 | 24 | 24 | 83 | 2,0000 |
Nie je určené pre bezpečnostno-technické použitie!

